2.3 Series Dioda Configuration

[menuju akhir]

 1. Tujuan [kembali]

     a. Mengetahui apa itu dioda

     b. Mengetahui perbedaan model dioda

     c. Mampu membuat rangkaian menggunakan dioda

     d. Memenuhi tugas mata kuliah elektronika

2. Komponen [kembali]

       2.1 Baterai

Baterai menyimpan energi potensi listrik dalam bentuk sel elektrokimia (sel volta). Ketika kutub posittif dan negatif baterai di hubungkan, potensi listrik kedua kutub akan menyebabkan arus listrik mengalir.

        2.2 Dioda 1N4001 dan 1N4004



Kedua dioda tersebut digunakan sebagai penyearah.

        2.3 Resistor


Resistor atau hambatan adalah salah satu komponen elektronika yang memiliki nilai hambatan tertentu, dimana hambatan ini akan menghambat arus listrik yang mengalir melaluinya.

Cara  menghitung nilai resistansi resistor:


        2.4 Ground


Ground atau pertanahan adalah sistem pengamanan pada instalasi listrik dimana jika terjadi kebocoran listrik maka listrik akan langsung mengalir ke tanah sehingga tidak melukai pengguna.

3. Dasar Teori [kembali]

      Dioda Approximation merupakan cara untuk menganalisa dioda apakah ideal atau tidak dalam sebuah rangkaian elektronika. Dalam menganalisa dioda hanya dibutuhkan sebuah switch. Ketika dioda forward bias, switch akan tertutup atau OFF dan ketika dioda reverse bias, switch akan terbuka atau ON. Arus maju ditentukan oleh tegangan bias dan resistor pembatas menggunakan Karena arus balik diabaikan, nilainya diasumsikan nol. Kebalikannya tegangan sama dengan tegangan bias. Anda mungkin ingin menggunakan model ideal saat Anda berada pemecahan masalah atau mencoba mencari tahu operasi sirkuit dan tidak peduli nilai tegangan atau arus yang lebih tepat.
Pada umumnya, sebuah dioda dikatakan “on” jika arus yang dilewatkan berasal dari sumber yang digunakan memiliki arah yang sesuai dengan panah pada simbol dioda, dengan Vd ≥ 0,7 V untuk silikon dan Vd ≥ 0,3 V untuk germanium.








Rangkaian seri pada gambar 2.8 yang dijelaskan secara rinci dalam bagian 2.2 akan digunakan untuk menunjukkan pendekatan yang dijelaskan dalam paragraf di atas.  Keadaan dioda pertama kali dijelaskan dengan mengganti dioda dengan elemen hambatan seperti yang ditunjukkan pada gambar. 2.9a.  Arah arus yang dihasilkan sesuai dengan panah pada simbol dioda, dan karena E>Vt, dioda berada dalam keadaan "on".  Rangkaian kemudian digambar ulang seperti pada gambar. 2.9b dengan rangkain setara yang sesuai dengan bias maju dioda silikon.  

Resultan tegangan dan arus yang dihasilkan mengikuti persamaan:


Pada gambar 2.10 dioda pada gambar 2.8 dibalik posisinya. Jika dianalogikan dioda sebagai sebuah hambatan seperti yang ditunjukkan pada gambar 2.11 terlihat arah arus yang dihasilkan tidak sesuai dengan panah dalam simbol dioda sehingga dioda dalam keadaan “off” sehingga membentuk rangkaian seperti gambar 2.12. 







Dalam keadaan ini, arus yang melewati dioda adalah 0 A dan tegangan di resistor R adalah:

fakta bahwa VR = 0 V akan membentuk volt E melintasi sirkuit tebuka seperti yang didefinisikan oleh hukum tegangan Kirchhoff. Ingatlah selalu bahwa dalam kondisi apa pun DC, AC nilai sesaat, dan seterusnya – hukum tegangan Kirchhoff harus dipenuhi!.  

4. Example [kembali]

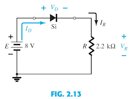
a.) Untuk konfigurasi dioda seri pada Gambar 2.13 , tentukan VD , VR , dan ID .



        jawaban: 
        Karena tegangan yang diberikan membentuk arus searah jarum jam ke cocok dengan panah simbol dan dioda dalam keadaan "on", maka

VD = 0,7 V
VR = E - VD = 8 V - 0,7 V = 7,3 V
ID = IR = VR:R=7.3 V : 2,2 k
=3,32 mA


b.) Ulangi Contoh 2.4 dengan dioda terbalik.
Melepaskan dioda, menemukan bahwa arah I berlawanan dengan panah masuk simbol dioda dan ekuivalen dioda adalah sirkuit terbuka, apa pun modelnya dipekerjakan. Hasilnya adalah rangkaian Gambar 2.14 , di mana ID=0 A karena rangkaian terbuka. Karena VR = IR R, kita memiliki VR = (0)R = 0 V. Menerapkan hukum tegangan Kirchhoff di sekitar loop tertutup

E - VD - VR = 0
dan VD = E - VR = E - 0 = E = 8 V


c). Untuk konfigurasi dioda seri pada Gambar 2.16 , tentukan VD , VR , dan ID .



jawaban:

 Meskipun "tekanan" menghasilkan arus dengan arah yang sama dengan
simbol panah, level voltase yang diberikan tidak cukup untuk menghidupkan dioda silikon.
Titik operasi pada karakteristik ditunjukkan pada Gambar. 2.17, menetapkan ekivalen rangkaian terbuka sebagai pendekatan yang sesuai, seperti yang ditunjukkan pada Gambar. 2.18. Hasilnya
Oleh karena itu, level tegangan dan arus adalah sebagai berikut:
  ID = 0 A
  VR = IR.R = ID.R = (0 A). 1,2 k = 0 V
  dan VD = E = 0,5




5. Problem [kembali]

1. Tentukan arus I untuk setiap konfigurasi pada Gambar 2.155 menggunakan perkiraan
model ekuivalen untuk dioda
solusi:



2. Tentukan V o dan I D untuk jaringan pada Gambar 2.156

Solusi:



3.  Tentukan level V o untuk setiap jaringan pada Gambar 2.157 .


Solusi:





6. Pilihan Ganda [kembali]

a). Pada 250C, potensial berier kira-kira sama dengan ......... untuk dioda silicon
 a. 0, 1 V    d. 0, 3 V
 b. 0, 5 V    e. 0,6 V
 c. 0, 7 V

Jawaban : C

b). Pada dioda junction, Sisi-P mempunyai .........

 a. 10 hole  d. Banyak proton
 b. Sedikit hole  e. Banyak elektron
 c. Banyak hole


Jawaban: c

c). material pada dioda merupakan...

a. konduktor

b. isolator

c. semikonduktor

d. semiisolator

e. salah semua


7. Rangkaian [kembali]

a. Gambar Rangkaian

Gambar 2.8

Gambar2.9a

Gambar 2.9b

Gambar 2.10

Gambar 2.11

Gambar 2.12

Gambar 2.13

Gambar 2,14


Gambar 2.16



Gambar 2.19

Gambar 2.20

Gambar 2.21

Gambar 2.22

Gambar 2.23

Gambar 2.24

Gambar 2.25

Gambar 2.27

Gambar 2.26


b. Video Simulasi 

2.8

2.9a

2.9b

2.10

2.11

2.12

2.13

2.14


2.16


2.19

2.20

2.21

2.22

2.23

2.24

2.25

2.26
2.27
c. Prinsip Kerja
Untuk setiap konfigurasi, kita dapat mengganti dioda dengan elemen hambatan dan perhatikan arah arus yang dihasilkan. Jika arah yang dihasilkan adalah “sesuai” dengan tanda panah pada simbol dioda, maka akan terjadi konduksi melalui dioda, dan perangkat dalam keadaaan “hidup”.hal ini dapat tejadi  ketika tegangan sumber lebih besar dari tegangan “turn on” (VT) dari setiap dioda.

Namaun, Jika dioda berada dalam keadaan terbalik, maka arah panah pada dioda tidak akan sesuai dengan arah arus yang dihasilkan, sehingga mengakibatkan diosa barada dalam status “off”.

8. Download File [kembali]

a. download HTML[Disini]

b. download gambar

gambar 2.8[Disini]

gambar 2.9a[Disini]

gambar 2.9b[Disini]

gambar 2.10[Disini]

gambar 2.11[Disini]

gambar 2.12[Disini]

gambar 2.13[Disini]

gambar 2.14[Disini]

gambar 2.16[Disini]

gambar 2.19[Disini]

gambar 2.20[Disini]

gambar 2.21[Disini]

gambar 2.22[Disini]

gambar 2.23[Disini]

gambar 2.24[Disini]

gambar 2.25[Disini]

gambar 2.26[Disini]

gambar 2.27[Disini]



c. video simulasi rangkaian

simulasi rangkaian 2.8[Disini]

simulasi rangkaian 2.9a[Disini]

simulasi rangkaian 2.9b[Disini]

simulasi rangkaian 2.10[Disini]

simulasi rangkaian 2.11[Disini]

simulasi rangkaian 2.12[Disini]

simulasi rangkaian 2.13[Disini]

simulasi rangkaian 2.14[Disini]

simulasi rangkaian 2.16[Disini]

simulasi rangkaian 2.19[Disini]

simulasi rangkaian 2.20[Disini]

simulasi rangkaian 2.21[Disini]

simulasi rangkaian 2.22[Disini]

simulasi rangkaian 2.23[Disini]

simulasi rangkaian 2.24[Disini]

simulasi rangkaian 2.25[Disini]

simulasi rangkaian 2.26[Disini]

simulasi rangkaian 2.27[Disini]

    

[menuju awal]

Tidak ada komentar:

Posting Komentar

  BAHAN PRESENTASI UNTUK MATA KULIAH  SISTEM DIGITAL 2024 OLEH: Afifah Febry Nabilla 2210952001 Dosen Pengampu: Darwison, M.T Referensi:  a....